中船应急获得发明专利授权:“一种高度可调机械化桥桥脚”
作者:小微
发表于:2025年05月24日
浏览量:59168

图片来源于网络,如有侵权,请联系删除
证券之星消息,根据天眼查APP数据显示中船应急(300527)新获得一项发明专利授权,专利名为“一种高度可调机械化桥桥脚”,专利申请号为CN202111563754.4,授权日为2025年5月23日。
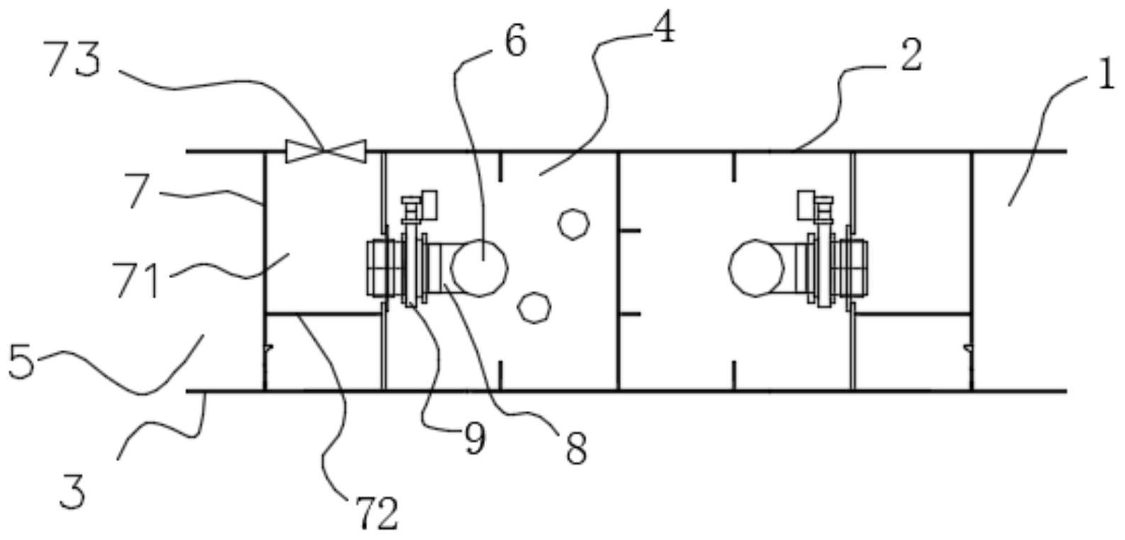
专利摘要:本发明提供一种高度可调机械化桥桥脚,能够提高桥脚的适用范围,从而有效解决现有机械化桥桥脚适应范围受限的问题。该高度可调机械化桥脚包括:冠材总成以及通过横向调整油缸相连的两个桥脚支腿,横向调整油缸用于调节两个桥脚支腿之间的横向距离;两个桥脚支腿均为高度可调桥脚支腿,通过两个桥脚支腿高度的调节实现机械化桥桥脚的高度调节。桥脚支腿包括:桥脚柱总成和础板总成;础板总成中设置有中间跳板,通过中间跳板工作位的改变能够调节础板总成的长度。

图片来源于网络,如有侵权,请联系删除
今年以来中船应急新获得专利授权20个,较去年同期增加了42.86%。结合公司2024年年报财务数据,2024年公司在研发方面投入了1.14亿元,同比减21.6%。

图片来源于网络,如有侵权,请联系删除
数据来源:天眼查APP
以上内容为证券之星据公开信息整理,由AI算法生成(网信算备310104345710301240019号),不构成投资建议。
