
图片来源于网络,如有侵权,请联系删除
证券之星消息,根据天眼查APP数据显示科润智控(920062)新获得一项实用新型专利授权,专利名为“一种高压开关柜安全防误电路”,专利申请号为CN202423068933.2,授权日为2026年2月24日。
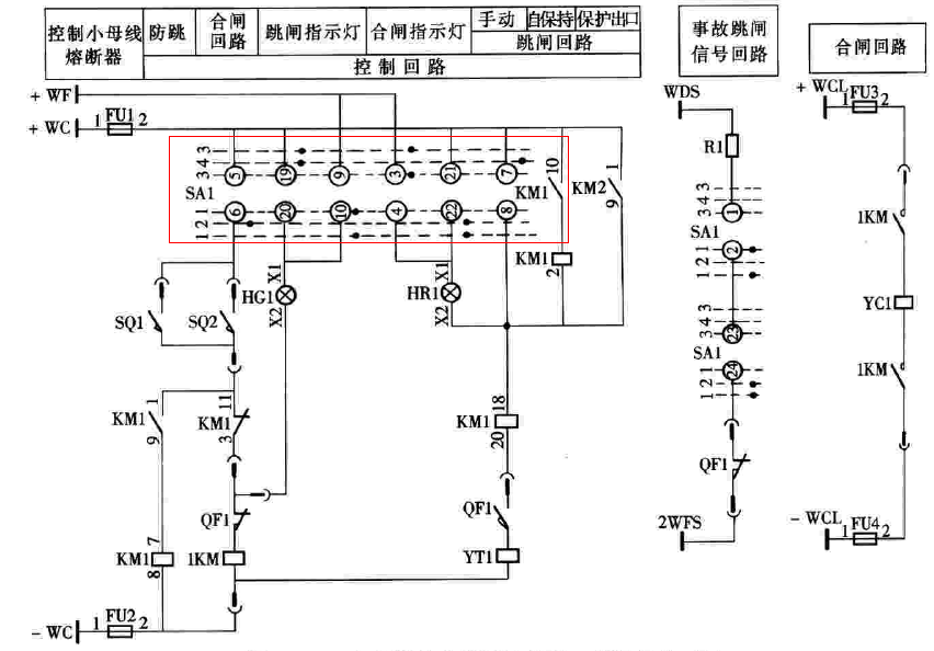
专利摘要:本实用新型涉及一种高压开关柜安全防误电路,包括直流控制母线的正极、直流控制母线的负极、辅助常闭开关、分段闭锁行程开关、隔离常开开关、真空断路器和微机保护装置,所述微机保护装置中的连接点B16通过导线与直流控制母线的正极实现电连接且微机保护装置中的连接点B13通过导线与直流控制母线的负极实现电连接,所述微机保护装置中的连接点B12通过导线与真空断路器中的连接点4实现电连接且真空断路器中的连接点14通过导线与直流控制母线的负极实现电连接,所述真空断路器中的弹簧操作机构的连接点j通过导线分别与时间继电器中的连接点3及辅助常闭开关中的连接点23实现电连接,所述时间继电器中的连接点1通过导线与真空断路器中的弹簧操作机构的连接点i实现电连接,所述辅助常闭开关中的连接点33通过导线与分段闭锁行程开关中的连接点49实现电连接且分段闭锁行程开关中的连接点50通过导线与隔离常开开关中的连接点13实现电连接,所述隔离常开开关中的连接点14通过导线分别与中间继电器中的连接点13及第一时间继电器中的连接点7实现电连接且中间继电器中的连接点14和第一时间继电器中的连接点2分别通过导线与直流控制母线的负极实现电连接。优点:在固定式高压开关柜中的隔离开关与断路器间增设一种高压开关柜安全防误电路,对操作人员的安全起到了更好的安全保障的作用,有了这套安全防误措施,操作人员的安全系数会更高,具有广泛的安全性与适用性。

图片来源于网络,如有侵权,请联系删除
今年以来科润智控新获得专利授权3个。结合公司2025年中报财务数据,2025上半年公司在研发方面投入了1850.69万元,同比增9.79%。

图片来源于网络,如有侵权,请联系删除
数据来源:天眼查APP
以上内容为证券之星据公开信息整理,由AI算法生成(网信算备310104345710301240019号),不构成投资建议。
