艾罗能源获得实用新型专利授权:“集成平面变压器、功率变换器、电源模块和储能设备”
作者:小微
发表于:2026年02月06日
浏览量:77349

图片来源于网络,如有侵权,请联系删除
证券之星消息,根据天眼查APP数据显示艾罗能源(688717)新获得一项实用新型专利授权,专利名为“集成平面变压器、功率变换器、电源模块和储能设备”,专利申请号为CN202520182374.3,授权日为2026年2月6日。
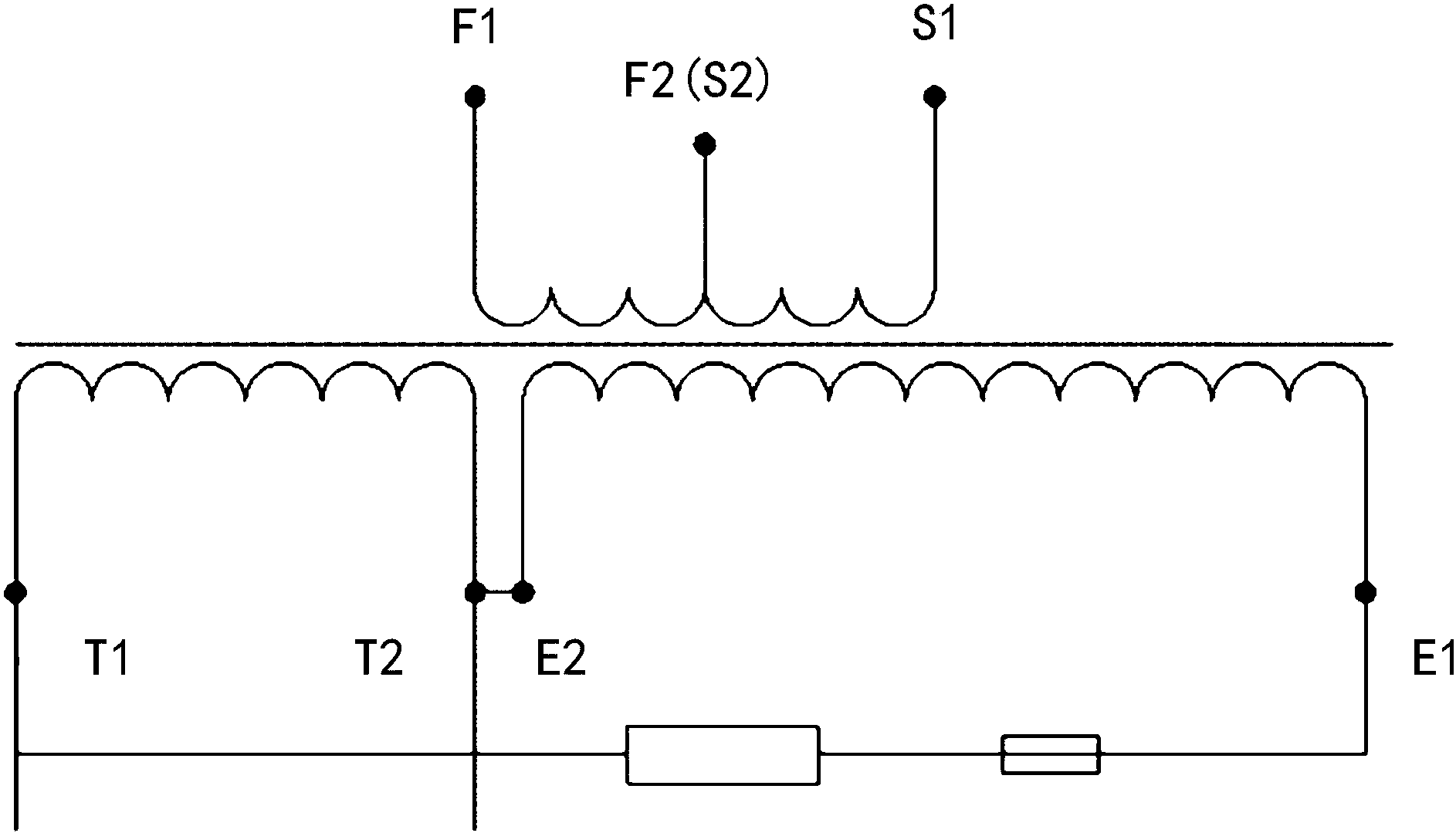
专利摘要:本申请提供一种集成平面变压器、功率变换器、电源模块和储能设备。集成平面变压器包括:磁芯和PCB绕组;磁芯包括电感磁柱、磁通柱、N个变压器磁柱和两个磁盖,N为不小于2的正整数,电感磁柱、磁通柱和N个变压器磁柱设置在两个磁盖之间,且垂直于两个磁盖;PCB绕组包括第一线圈和第二线圈;其中,N个变压器磁柱均绕设有第一线圈,并且N个变压器磁柱上的第一线圈串联;N个变压器磁柱及电感磁柱均绕设有第二线圈,并且N个变压器磁柱上的第二线圈并联至电感磁柱上的第二线圈;磁通柱围绕着PCB绕组设置。本申请集成平面变压器能够将变压器和电感集成设计,减少了磁性器件数量,具有体积小,损耗低,功率密度高,EMC性能佳等优点。
今年以来艾罗能源新获得专利授权15个,较去年同期增加了275%。结合公司2025年中报财务数据,2025上半年公司在研发方面投入了3.19亿元,同比增34.08%。
通过天眼查大数据分析,浙江艾罗网络能源技术股份有限公司共对外投资了3家企业,参与招投标项目64次;财产线索方面有商标信息39条,专利信息622条,著作权信息111条;此外企业还拥有行政许可27个。
数据来源:天眼查APP
以上内容为证券之星据公开信息整理,由AI算法生成(网信算备310104345710301240019号),不构成投资建议。
