九阳股份获得实用新型专利授权:“一种液体加热器”
作者:小微
发表于:2025年06月06日
浏览量:80824

图片来源于网络,如有侵权,请联系删除
证券之星消息,根据天眼查APP数据显示九阳股份(002242)新获得一项实用新型专利授权,专利名为“一种液体加热器”,专利申请号为CN202421366441.9,授权日为2025年6月6日。
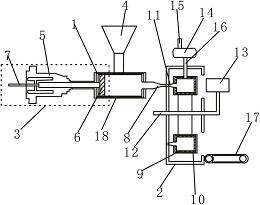
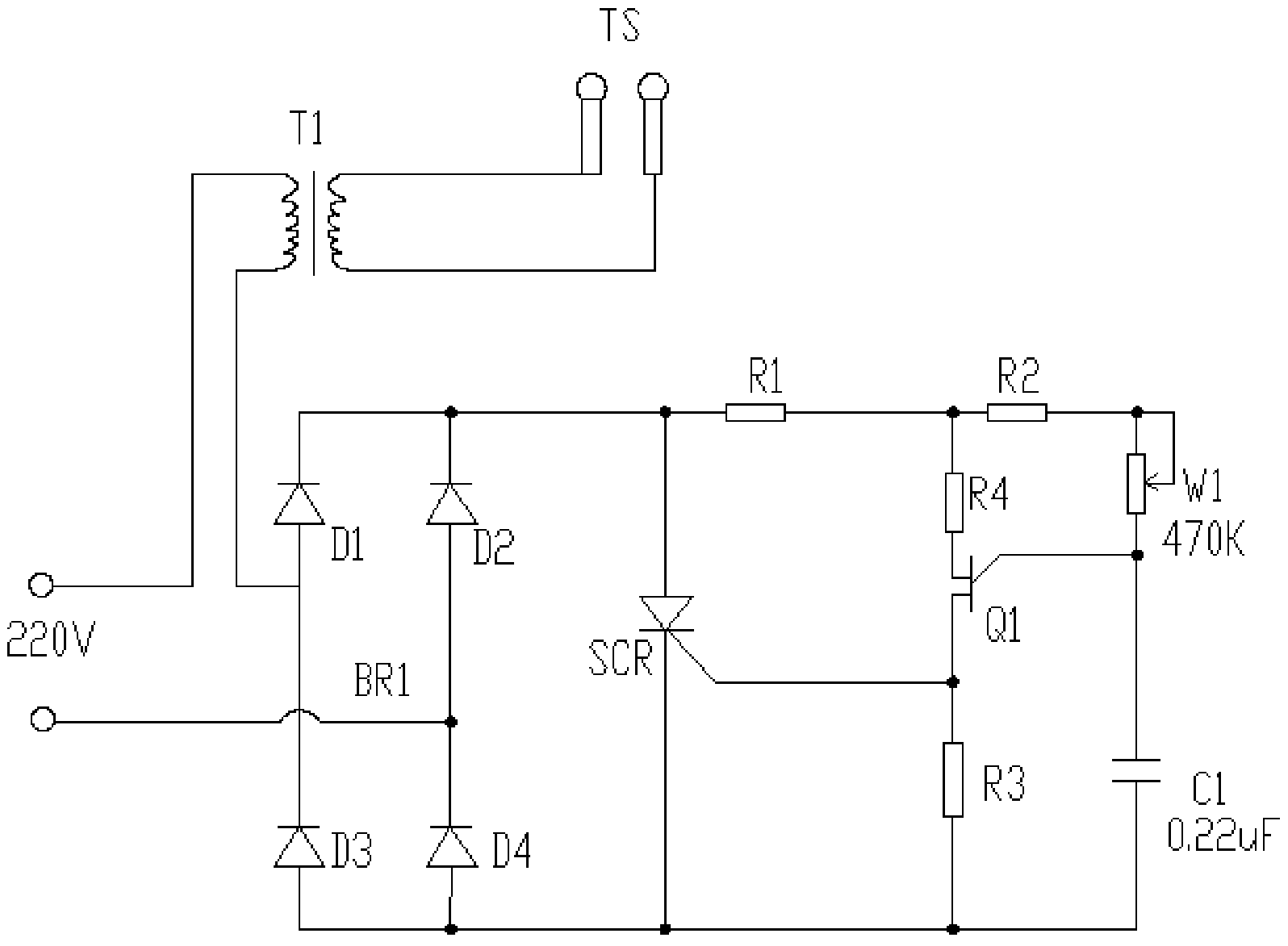
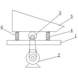
专利摘要:本实用新型公开一种液体加热器,属于生活电器领域,解决了水位检测器的安装质量难以确保的问题,解决该问题的技术方案主要是玻璃杯体的外侧设有沿高度方向延伸的安装支架,安装支架隐藏于玻璃杯体与壳体之间,安装支架与玻璃杯体之间设有用于隔空检测液位的检测板,安装支架朝向玻璃杯体的一侧设有凹槽,检测板定位于凹槽内并通过胶水与安装支架固定,安装支架在固定检测板的胶水凝固后通过胶水粘连固定于玻璃杯体的外侧壁,检测板朝向玻璃杯体的一侧利用胶水的弹性紧贴玻璃杯体的外侧壁。本实用新型主要用于先将检测板与安装支架固定成一体,确保检测板相对安装支架的质量,再将两者一起固定到玻璃杯体上,确保装配质量。

图片来源于网络,如有侵权,请联系删除
今年以来九阳股份新获得专利授权305个,较去年同期增加了2.35%。结合公司2024年年报财务数据,2024年公司在研发方面投入了3.61亿元,同比减7.19%。

图片来源于网络,如有侵权,请联系删除
数据来源:天眼查APP
以上内容为证券之星据公开信息整理,由AI算法生成(网信算备310104345710301240019号),不构成投资建议。
